当前位置:首页-产品中心-仓泵

仓泵

  • 来源:/ 日期:2022-11-03 发布人:admin
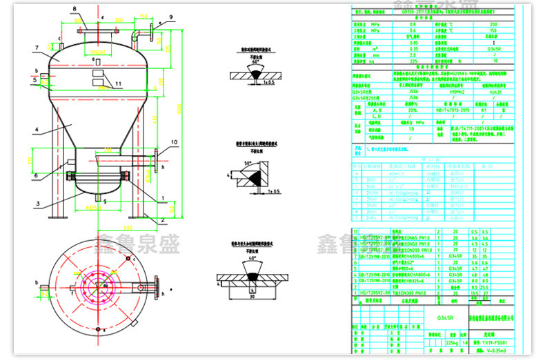
仓泵又称仓式泵,是在高压下(约700kPa以下)输送粉状物料的一种比较可靠的密相动压气力输送装置。
仓式泵的卸料方式有两种,其中底部出料是最常用方式,罐内物料通过圆锥面充气槽充气、喷嘴喷气或其它方法得以流态化;在底部设置流态化充气板(层)可使物料在罐的上部卸出。输送气体在罐中不同输入平面上分布情况取决于输送物料性质。
仓泵操作工作过程
打开进料阀和排气阀,仓式泵在常压下进料,直到水平料位计发出仓满指示信号为止;
关闭进料阀和排气阀,然后打开高压气阀使罐内加压;
当达到操作压力后,打开输送空气阀门和卸料阀,物料开始输送;
由压力开关、料位计或时间继电器显示出输送结束。此时关闭高压气阀和卸料阀,使全部压缩空气都用来清吹输送管道;同时打开排气阀,使罐内压力减至常压状态。一个工作周期完成后,另一周期继续进行。













联系
客服

18663713660 0531-83656168
7*24小时客服服务热线

微信
沟通

扫码微信沟通
顶部
X

截屏,微信识别二维码